
FSB型氟塑料合金化工泵
-
質量穩定:全程質量監控,細致入微,全方位檢測,保證產品質量!
-
交貨快捷:先進生產流水線,備貨充足,常規產品全部倉庫現貨供應!
-
專業定制:高級工程師專業選型報價,各種材質非標產品皆可洽談定做!
銷售熱線
023-68691718
- 產品概述
- 性能參數
- 適用范圍
- 安裝尺寸
- 文檔下載
FSB型氟塑料合金化工泵--產品概述
FSB型氟塑料合金化工泵按國際標準設計,泵體采用金屬外殼內襯聚全氟乙丙烯(F46),泵蓋、葉輪和軸套均用金屬嵌件外包氟塑料整體燒結壓制成型,軸封采用外裝式波紋管機械密封,靜環選用99%氧化鋁陶瓷或氮化硅,動環采用四氟填充材料,耐腐耐磨,適用于輸送任何濃度的硫酸、鹽酸、醋酸、氫氟酸、硝酸、王水、強堿、強氧化劑、有機溶劑、還原劑等苛刻條件的強腐蝕性介質,是目前世界上最強耐腐蝕裝備之一。
FSB型氟塑料合金化工泵,可在-80—150度溫度的條件下,長期輸送任意濃度的各種酸、堿、鹽、強氧化劑等多種腐蝕性介質,其殼體及過流部分全部用F46氟合金制成,它集多種氟塑料之優點,具有特強的耐腐蝕性,并具有機械強度高,不老化,無毒素分解優點。該水泵產品機械強度高,設計合理,結構緊湊,性能可靠,使用維修方便,流道光滑效率高,節約能源,榮獲"國家科學技術獎"。
FSB型氟塑料合金化工泵--型號意義

FSB型氟塑料合金化工泵--技術參數
流量:3.6~100m3/h;
揚程:15~55m;
轉速:2900r/min;
功率:1.5~18.5KW;
進口直徑:25~100mm;
適用溫度:-20℃~120℃。
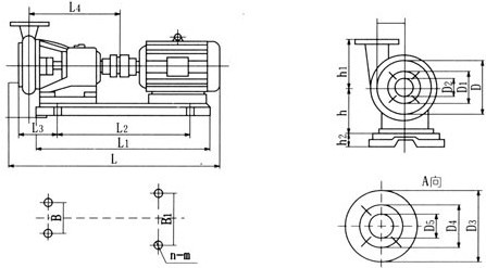
FSB型氟塑料合金化工泵--結構圖


型號 | 流量 | 揚 程(m) | 口 徑 (mm) | 功 率 (Kw) | 轉 速 (r/min) | 汽蝕余量 (m) | 效 率 (%) | ||
進口 | 出口 | 軸功率 | 電機功率 | ||||||
| |||||||||
25FSB-10 | 3.6 | 10 | 25 | 25 | 0.69 | 1.5 | 2900 | 3.0 | 35 |
25FSB-20 | 3.6 | 20 | 25 | 25 | 0.97 | 1.5 | 2900 | 3.0 | 35 |
25FSB-25 | 3.6 | 25 | 25 | 25 | 1.25 | 1.5 | 2900 | 3.0 | 35 |
40FSB-15 | 5 | 15 | 40 | 32 | 0.51 | 3.0 | 2900 | 3.0 | 40 |
40FSB-20 | 10 | 20 | 40 | 32 | 1.16 | 3.0 | 2900 | 3.0 | 42 |
40FSB-30 | 10 | 30 | 40 | 32 | 1.18 | 3.0 | 2900 | 3.0 | 52 |
40FSB-40 | 6.3 | 40 | 40 | 25 | 3.1 | 4.0 | 2900 | 3.0 | 40 |
40FSB-50 | 6.3 | 50 | 40 | 25 | 3.55 | 4.0 | 2900 | 3.0 | 52 |
40FSB-80 | 6.3 | 80 | 40 | 25 | 7.11 | 7.5 | 2900 | 3.0 | 52 |
50FSB-20 | 12.5 | 20 | 50 | 32 | 1.49 | 3.0 | 2900 | 3.5 | 55 |
50FSB-25 | 12.5 | 25 | 50 | 32 | 1.86 | 3.0 | 2900 | 3.5 | 55 |
50FSB-30 | 15 | 30 | 50 | 32 | 1.90 | 3.0 | 2900 | 3.5 | 54 |
50FSB-40 | 12.5 | 40 | 50 | 32 | 4.3 | 7.5 | 2900 | 3.0 | 39 |
50FSB-50 | 12.5 | 50 | 50 | 32 | 5.8 | 7.5 | 2900 | 3.0 | 39 |
65FSB-32 | 25 | 32 | 65 | 50 | 4.8 | 5.5 | 2900 | 2.0 | 45 |
65FSB-40 | 25 | 40 | 65 | 40 | 7.2 | 11 | 2900 | 3.0 | 52 |
65FSB-50 | 25 | 50 | 65 | 40 | 8.6 | 11 | 2900 | 3.5 | 52 |
65FSB-80 | 25 | 80 | 65 | 40 | 14.1 | 18.5 | 2900 | 4.5 | 50 |
80FSB-20 | 50 | 20 | 80 | 65 | 4.7 | 5.5 | 2900 | 3.0 | 45 |
80FSB-25 | 50 | 25 | 80 | 65 | 5.7 | 7.5 | 2900 | 3.0 | 50 |
80FSB-30 | 50 | 30 | 80 | 65 | 6.9 | 7.5 | 2900 | 3.5 | 59 |
80FSB-40 | 50 | 40 | 80 | 50 | 10.2 | 11.0 | 2900 | 3.5 | 48 |
80FSB-50 | 50 | 50 | 80 | 50 | 11.9 | 15.0 | 2900 | 3.5 | 57 |
80FSB-55 | 50 | 55 | 80 | 50 | 13.5 | 18.5 | 2900 | 4.0 | 50 |
80FSB-80 | 50 | 80 | 80 | 50 | 24.6 | 30 | 2900 | 4.0 | 66 |
100FSB-20 | 100 | 20 | 100 | 80 | 8.6 | 11.0 | 2900 | 3.5 | 68 |
100FSB-32 | 100 | 32 | 100 | 80 | 11.9 | 15.0 | 2900 | 3.5 | 68 |
100FSB-40 | 100 | 40 | 100 | 65 | 21.3 | 30.0 | 2900 | 4.5 | 73 |
100FSB-50 | 100 | 50 | 100 | 65 | 23.9 | 30.0 | 2900 | 4.5 | 73 |
125FSB-32 | 160 | 32 | 125 | 80 | 24.15 | 30.0 | 2900 | 5.0 | 70 |
125FSB-50 | 200 | 50 | 125 | 100 | 39.2 | 55.0 | 2900 | 5.0 | 65 |
150FSB-32 | 150 | 32 | 200 | 125 | 35.3 | 45.0 | 1450 | 5.0 | 60 |
| |||||||||
40FSB-15(D) | 5 | 15 | 40 | 32 | 0.51 | 3.0 | 2900 | 3.0 | 40 |
40FSB-20(D) | 10 | 20 | 40 | 32 | 1.16 | 3.0 | 2900 | 3.0 | 42 |
40FSB-30(D) | 10 | 30 | 40 | 32 | 1.18 | 3.0 | 2900 | 3.0 | 52 |
50FSB-20(D) | 12.5 | 20 | 50 | 32 | 1.49 | 3.0 | 2900 | 3.5 | 55 |
50FSB-25(D) | 12.5 | 25 | 50 | 32 | 1.86 | 3.0 | 2900 | 3.5 | 55 |
50FSB-30(D) | 15 | 30 | 50 | 32 | 1.90 | 3.0 | 2900 | 3.5 | 54 |
65FSB-32(D) | 25 | 32 | 65 | 50 | 3.61 | 5.5 | 2900 | 3.5 | 65 |
80FSB-25(D) | 42 | 25 | 80 | 65 | 3.8 | 7.5 | 2900 | 3.5 | 67 |
80FSB-30(D) | 50 | 30 | 80 | 65 | 6.82 | 7.5 | 2900 | 3.5 |
|
注: 如所需參數不在此表范圍,我廠可根據用戶要求予以調整,表中部分大型泵殼體為襯氟型 | |||||||||
FSB型氟塑料合金化工泵廣泛應用于化工、制酸、制堿、冶煉、稀土、農藥、染料、醫藥、造紙、電鍍、電解、酸洗、無線電、化成箔、科研機構、國防工業等行業。

規格型號 | L | L1 | L2 | L3 | L4 | D | D1 | D2 | D3 | D4 | D5 | B | B1 | d | h | h1 | h2 | n-m |
25FSB-10 | 940 | 730 | 455 | 130 | 380 | 100 | 75 | 25 | 110 | 90 | 20 | 250 | 310 | 65 | 112 | 130 | 78 | 4-ф18 |
25FSB-18 | 940 | 730 | 455 | 130 | 380 | 100 | 75 | 25 | 110 | 90 | 20 | 250 | 310 | 65 | 112 | 130 | 78 | 4-ф18 |
40FSB-15 | 940 | 730 | 455 | 130 | 400 | 130 | 100 | 40 | 130 | 100 | 32 | 250 | 310 | 80 | 112 | 130 | 78 | 4-ф18 |
40FSB-20 | 940 | 730 | 455 | 130 | 400 | 130 | 100 | 40 | 130 | 100 | 32 | 250 | 310 | 80 | 112 | 130 | 78 | 4-ф18 |
40FSB-30 | 940 | 730 | 455 | 130 | 400 | 130 | 100 | 40 | 130 | 100 | 32 | 250 | 310 | 80 | 112 | 130 | 78 | 4-ф18 |
40FSB-40 | 940 | 730 | 455 | 130 | 400 | 130 | 100 | 40 | 130 | 100 | 32 | 250 | 310 | 80 | 112 | 130 | 78 | 4-ф18 |
50FSB-20 | 940 | 730 | 455 | 130 | 400 | 130 | 100 | 50 | 130 | 100 | 32 | 250 | 310 | 80 | 112 | 130 | 78 | 4-ф18 |
50FSB-25 | 940 | 730 | 455 | 130 | 400 | 130 | 100 | 50 | 130 | 100 | 40 | 250 | 310 | 80 | 112 | 130 | 78 | 4-ф18 |
50FSB-30 | 940 | 730 | 455 | 130 | 400 | 130 | 100 | 50 | 130 | 100 | 40 | 250 | 310 | 80 | 112 | 130 | 78 | 4-ф18 |
50FSB-40 | 1045 | 830 | 560 | 130 | 400 | 130 | 100 | 50 | 130 | 100 | 40 | 250 | 375 | 80 | 112 | 130 | 78 | 4-ф18 |
50FSB-50 | 1045 | 830 | 560 | 130 | 400 | 130 | 100 | 50 | 130 | 100 | 40 | 250 | 375 | 80 | 112 | 130 | 78 | 4-ф18 |
65FSB-32 | 1045 | 830 | 560 | 240 | 410 | 185 | 135 | 65 | 160 | 135 | 50 | 250 | 375 | 95 | 132 | 150 | 65 | 4-ф18 |
65FSB-40 | 1045 | 830 | 560 | 240 | 410 | 185 | 135 | 65 | 160 | 135 | 50 | 250 | 375 | 100 | 132 | 185 | 65 | 4-ф18 |
65FSB-50 | 1045 | 830 | 560 | 240 | 410 | 185 | 150 | 65 | 160 | 135 | 50 | 250 | 375 | 100 | 132 | 185 | 65 | 4-ф18 |
80FSB-20 | 1045 | 830 | 560 | 240 | 410 | 185 | 150 | 80 | 160 | 135 | 65 | 250 | 375 | 95 | 132 | 150 | 65 | 4-ф18 |
80FSB-30 | 1045 | 830 | 560 | 240 | 410 | 185 | 150 | 80 | 160 | 135 | 65 | 250 | 375 | 95 | 132 | 150 | 65 | 4-ф18 |
80FSB-34 | 1045 | 830 | 560 | 240 | 410 | 185 | 150 | 80 | 160 | 135 | 65 | 250 | 375 | 95 | 132 | 150 | 65 | 4-ф18 |
80FSB-40 | 1045 | 830 | 560 | 240 | 410 | 185 | 150 | 80 | 160 | 135 | 65 | 250 | 375 | 100 | 132 | 185 | 65 | 4-ф18 |
80FSB-50 | 1045 | 830 | 560 | 240 | 410 | 185 | 150 | 80 | 160 | 135 | 50 | 250 | 375 | 100 | 132 | 185 | 65 | 4-ф18 |
80FSB-55 | 1310 | 970 | 610 | 245 | 500 | 185 | 150 | 80 | 160 | 135 | 65 | 330 | 430 | 110 | 160 | 205 | 100 | 4-ф18 |
80FSB-80 | 1310 | 970 | 640 | 245 | 500 | 185 | 150 | 80 | 160 | 135 | 65 | 330 | 430 | 135 | 160 | 205 | 100 | 4-ф18 |
100FSB-32 | 1330 | 970 | 640 | 245 | 500 | 185 | 150 | 100 | 160 | 135 | 65 | 330 | 430 | 110 | 160 | 205 | 120 | 4-ф18 |
100FSB-50 | 1360 | 970 | 640 | 245 | 500 | 185 | 150 | 100 | 160 | 135 | 65 | 300 | 430 | 110 | 160 | 205 | 160 | 4-ф18 |

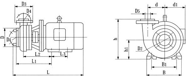
規格型號 | L | L1 | L2 | L3 | D | D1 | D2 | D3 | D4 | D5 | B | B1 | d | d1 | h | h1 | 地腳螺栓 |
25FSB-10D | 470 | 220 | 185 | 125 | 100 | 75 | 25 | 110 | 90 | 20 | 180 | 140 | 65 | 155 | 210 | 90 | 4-ф10 |
25FSB-18D | 470 | 220 | 185 | 125 | 100 | 75 | 25 | 110 | 90 | 20 | 180 | 140 | 65 | 155 | 210 | 90 | 4-ф10 |
40FSB-15D | 540 | 245 | 200 | 125 | 130 | 100 | 40 | 130 | 100 | 32 | 205 | 160 | 80 | 180 | 240 | 100 | 4-ф12 |
40FSB-20D | 540 | 245 | 200 | 140 | 130 | 100 | 40 | 130 | 100 | 32 | 205 | 160 | 80 | 180 | 240 | 100 | 4-ф12 |
40FSB-30D | 540 | 245 | 200 | 140 | 130 | 100 | 40 | 130 | 100 | 32 | 205 | 160 | 80 | 180 | 240 | 100 | 4-ф12 |
50FSB-20D | 540 | 245 | 200 | 140 | 130 | 100 | 50 | 130 | 100 | 40 | 205 | 160 | 80 | 180 | 240 | 100 | 4-ф12 |
50FSB-25D | 540 | 245 | 200 | 140 | 130 | 100 | 50 | 130 | 100 | 40 | 205 | 160 | 80 | 180 | 240 | 100 | 4-ф12 |
50FSB-30D | 540 | 245 | 200 | 140 | 130 | 100 | 50 | 130 | 100 | 40 | 240 | 190 | 80 | 180 | 240 | 100 | 4-ф12 |
65FSB-32D | 720 | 345 | 276 | 140 | 185 | 150 | 65 | 185 | 135 | 50 | 280 | 216 | 95 | 210 | 282 | 100 | 4-ф12 |
80FSB-20D | 720 | 345 | 276 | 140 | 185 | 150 | 80 | 185 | 135 | 65 | 280 | 216 | 95 | 210 | 282 | 132 | 4-ф12 |
80FSB-30D | 720 | 345 | 276 | 140 | 185 | 150 | 80 | 185 | 135 | 65 | 280 | 216 | 95 | 210 | 282 | 132 | 4-ф12 |
·相關產品
·相關文章
·最新文章
- 2021-04-16重慶中佰泵業立志打造優良排污泵,為社會貢獻力量
- 2021-04-16你的真空泵出問題了?有沒有遇到以下這些故障
- 2021-04-16怎樣安裝齒輪油泵?安裝需求有哪些?
- 2021-01-12重慶中佰泵業——春節放假通知
- 2020-12-31重慶中佰泵業元旦節放假通知
- 2020-10-09液下泵發展前景廣闊,重慶中佰泵業走在行業前端
- 2020-10-09多級泵效率低?建議考慮一下這幾條原因
- 2020-10-09使用潛水泵的三大禁忌,希望你能了解
- 2020-09-25怎樣避免磁力泵空轉?為什么磁力泵會空轉?
- 2020-09-25中佰泵業研發優質供水設備,引領創新市場







